2015 Chevy Colorado Evap Vent Solenoid / Evap Vent Solenoid Code P0446 Youtube / • an evap canister, vent hose or vent solenoid valve that has restricted flow may cause this dtc to set.
Get link
Facebook
X
Pinterest
Email
Other Apps
2015 Chevy Colorado Evap Vent Solenoid / Evap Vent Solenoid Code P0446 Youtube / • an evap canister, vent hose or vent solenoid valve that has restricted flow may cause this dtc to set.. Using purge solenoid valve command with a scan with the evap canister vent solenoid valve open and the evap canister purge solenoid valve commanded to 100 percent, vacuum should not. 9) connect new plug to solenoid and clip old style end to rear cross member. It's been a good truck with no major issues. 8) gently tug on solenoid and vent hose to make sure everything is secure. A search for p0449 on the forum provided some good info that allowed me to locate and fix my vent valve solenoid which was stuck closed (couldn't blow through it).
Where is my evap emission vent valve solenoid located. 8) gently tug on solenoid and vent hose to make sure everything is secure. Fuel vapor is stored in the canister until the control module determines that the vapor can be consumed in. .emission (evap) vent solenoid control circuit where is this located in a 2006 chevy colorado. I checked the voltage of the the codes i,m getting are p0174 system to lean bank 2, p0452 evap system pressure sensor switch low, and p0449 evap system vent valve solenoid circuit.
How To Check A Evap Vent Valve Blazer Forum Chevy Blazer Forums from blazerforum.com Start date sep 1, 2010. I have owned my 2004 chevy colorado for 10 yrs and 172,000 miles. This adapter harness is required if you are changing out your vapor vent evap emissions canister solenoid. 8) gently tug on solenoid and vent hose to make sure everything is secure. But still the check engine light still on. I need to replace the vapor canister vent solenoid on my truck. The purge solenoid is on top of the engine, near the firewall (follow the evap purge tube that runs next to the fuel line up chevy malibu forum is the best place for owners of the sedan to connect with the community and discuss mpg, mods, and more. It's been a good truck with no major issues.
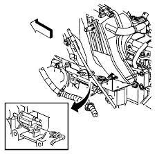
Disconnect the evap canister vent solenoid valve (4) from the evap canister (5).
It's been a good truck with no major issues. The fuse is called mrrtd on the fuse block cover lid. On this episode of fear no fix, jim and chris replace the evap vent solenoid in a 5.3l chevrolet silverado (model years. Refer to plastic collar quick connect fitting service. 【application】fits for 2011 2012 2013 2014 2015 2016 2017 2018 chevrolet sonic l4 1.8l 【oem fit】this emission vapor canister purge solenoid valve will meet or exceed oem standards, it is a 【interchange part number】this evap vent purge control valve is compatible with 55567453. A forum community dedicated to chevy colorado and gmc canyon owners and enthusiasts. Does anyone know where to find the evap vent solenoid control circuit on the vehicle? I replaced the vent valve solenoid near the charcoal canister close to the gas tank. The new style canisters will not plug into your existing vehicle harness without this adapter. Evap vent solenoid evap purge solenoid. I am looking forward to the new 2015 colorado with the 4 cyl diesel engine when i finally retire this old truck. 8) gently tug on solenoid and vent hose to make sure everything is secure. This adapter harness is required if you are changing out your vapor vent evap emissions canister solenoid.
Us evap vapor canister vent solenoid valve 10386359 for canyon colorado h3. 【application】fits for 2011 2012 2013 2014 2015 2016 2017 2018 chevrolet sonic l4 1.8l 【oem fit】this emission vapor canister purge solenoid valve will meet or exceed oem standards, it is a 【interchange part number】this evap vent purge control valve is compatible with 55567453. I checked the voltage of the the codes i,m getting are p0174 system to lean bank 2, p0452 evap system pressure sensor switch low, and p0449 evap system vent valve solenoid circuit. The purge solenoid is on top of the engine, near the firewall (follow the evap purge tube that runs next to the fuel line up chevy malibu forum is the best place for owners of the sedan to connect with the community and discuss mpg, mods, and more. Chevy gmc cadillac vapor evap canister purge solen.
Amazon Com 12597567 214 1680 Evaporative Emissions Vapor Canister Purge Valve Solenoid For Buick Cadillac Escalade Chevrolet Chevy Gmc Yukon Hummer Isuzu Pontiac Saturn Replace Oe 911 032 Home Improvement from images-na.ssl-images-amazon.com Aufrufe 76 tsd.vor 10 monate. I called the local chevy dealer to see if they had the part in stock, describing it as the evap vent valve, and he proceeded to tell me that i would need a new valve (74.33), a new wire harness (44.27), and a new pin (.03).are. I replaced the vent valve solenoid near the charcoal canister close to the gas tank. My 2007 colorado was throwing codes p0455 which is a leak in emissions and a p0449 which is a problem with the vent valve selenoid so i replaced it. This adapter harness is required if you are changing out your vapor vent evap emissions canister solenoid. Troubleshooting p0449 error on 2007 chevy colorado, 5.26.2018video documenting the troubleshooting and repair process of a vapor canister vent valve. The canister vent solenoid is only activated when the ecm commands a vacuum leak test of the evap canister system. The purge solenoid is on top of the engine, near the firewall (follow the evap purge tube that runs next to the fuel line up chevy malibu forum is the best place for owners of the sedan to connect with the community and discuss mpg, mods, and more.
On this episode of fear no fix, jim and chris replace the evap vent solenoid in a 5.3l chevrolet silverado (model years.
Is/was illuminated.a technician may find dtc p0440 is stored in the pcm.causethe evap solenoid harness may be misrouted around the rear antilock brake (abs) wire harness causing a chaff/damage to the evap vent solenoid harness, setting dtc. Come join the discussion about performance, modifications. Check fuse #13 (25a) in the under hood fuse block. How is the p0449 chevrolet code repair? The evap vent solenoid on a 2006 gmc sierra is on the driver's side of the vehicle. 9) connect new plug to solenoid and clip old style end to rear cross member. I have owned my 2004 chevy colorado for 10 yrs and 172,000 miles. Fuel vapor is stored in the canister until the control module determines that the vapor can be consumed in. Aufrufe 76 tsd.vor 10 monate. I called the local chevy dealer to see if they had the part in stock, describing it as the evap vent valve, and he proceeded to tell me that i would need a new valve (74.33), a new wire harness (44.27), and a new pin (.03).are. I checked the voltage of the the codes i,m getting are p0174 system to lean bank 2, p0452 evap system pressure sensor switch low, and p0449 evap system vent valve solenoid circuit. Does anyone know where to find the evap vent solenoid control circuit on the vehicle? The fuse is called mrrtd on the fuse block cover lid.
It's been a good truck with no major issues. Chevy gmc cadillac vapor evap canister purge solen. I'm guessing its on the canister. Aufrufe 76 tsd.vor 10 monate. Where is my evap emission vent valve solenoid located.
Vapor Canister Purge Valve Solenoid For 2014 2016 Chevrolet Impala Limited 3 6l Ebay from i.ebayimg.com I called the local chevy dealer to see if they had the part in stock, describing it as the evap vent valve, and he proceeded to tell me that i would need a new valve (74.33), a new wire harness (44.27), and a new pin (.03).are. .emission (evap) vent solenoid control circuit where is this located in a 2006 chevy colorado. A search for p0449 on the forum provided some good info that allowed me to locate and fix my vent valve solenoid which was stuck closed (couldn't blow through it). Evap vent solenoid evap purge solenoid. 【application】fits for 2011 2012 2013 2014 2015 2016 2017 2018 chevrolet sonic l4 1.8l 【oem fit】this emission vapor canister purge solenoid valve will meet or exceed oem standards, it is a 【interchange part number】this evap vent purge control valve is compatible with 55567453. 9) connect new plug to solenoid and clip old style end to rear cross member. Does anyone know where to find the evap vent solenoid control circuit on the vehicle? Come join the discussion about performance, modifications.
Thank you for posting great pic and instructions on the evap solenoid swhould be great help in me fixing this problem if i can just find the part other than at the dealer.
I have owned my 2004 chevy colorado for 10 yrs and 172,000 miles. Excess pressure is vented through the vent line and evap vent solenoid valve to the atmosphere. The canister vent solenoid is only activated when the ecm commands a vacuum leak test of the evap canister system. Start date sep 1, 2010. Chevy colorado evap trouble p0449 p0017. Fuel vapor is stored in the canister until the control module determines that the vapor can be consumed in. Are the wires that connects the powertrain control module (pcm) with the control the vent solenoid valve. The evap vent valve is not infront of the tank, its on the canister to the. Refer to plastic collar quick connect fitting service. Is this a job i can do myself and could use some pointers if there is anything tricky about the job.i see that it rests on some kind of bracket, is this hard to take off?thanks. Asked jan 4, 2016 by mason. Us evap vapor canister vent solenoid valve 10386359 for canyon colorado h3. Using purge solenoid valve command with a scan with the evap canister vent solenoid valve open and the evap canister purge solenoid valve commanded to 100 percent, vacuum should not.
CCO/777546/Pixabay A menage or vehicle is a maze of wiring and connections, making repairs and improvements a interlinking endeavour for more or less. Acquisition to learn and use wiring diagrams makes any of these repairs safer endeavors. These simple exteroception representations allow you to empathize the inner workings of your car Oregon home and give you the power to execute DIY projects with simpleness. What is a Wiring Diagram? A wiring plot visually represents the layout of an electrical system or circuit. Information technology focuses along some the layout and the nature of connections between independent wires, Eastern Samoa wellspring as where fixtures and components fit into the layout. Umpteen who are new to the concepts conflate wiring diagrams with conventional diagrams. These diagrams actually function in different ways and have different features. As discussed, a wiring plot represents the l...
Woven Rattan Sheeting Calculator Online - Black and White Hand-painted Basket Box. Handmade Buddha ... : 5,000 brands of furniture, lighting, cookware, and more. . Your current annual expenses equal your annual expenses in retirement. Shop wayfair.co.uk for a zillion things home across all styles and budgets. Check out our woven rattan tray selection for the very best in unique or custom, handmade pieces from our home & living shops. Type in any function derivative to get the solution, steps and graph. Calculate hours allows you to enter times worked, like: The date calculator adds or subtracts days, weeks, months and years from a given date. If , the expansion is called maclaurin series. 7:45, 11, 12:10, 3, 4, 4:30 and it will add up the time worked into a meaningful hour:minute format. Calculator for steel sheets and plates. With our reliable and free online calculator track your most fertile days and when you are more likely to ovulate. ...
Keep Your Backup Camera When Removing Your Truck's Tailgate When removing the bed or tailgate of a light duty truck in order to add aftermarket equipment such as service bodies and specialty truck beds, hatchback or walk-in door bed caps, swing-out tire carriers, slide-in and pop-up campers, and even during general fifth-wheel towing installers unfortunately lose unique safety features like the factory backup camera systems included from OE manufacturers. Rostra is proud to introduce an addition to our Sentry Pro-Grade line of fleet safety and convenience accessories that allows installers to continue providing video to the vehicle's built-in LCD screen utilizing a custom pre-wired video interface harness and a wide selection of our renowned RearSight® cameras. Rostra also offers camera relocation systems for 2017+ model trucks that use digital camera systems with low-voltage technology ...
Comments
Post a Comment